Soft Dough Line
Хлебопекарное оборудование предназначено для обработки липкого и очень мягкого теста с влажностью до 85%. Данная линия позволяет производить Средиземноморские типы хлеба типа Ciabatta и другие подобные виды изысканного хлеба. Производительность оборудования 1800 шт/час.
Оборудование произведено в Швеции согласно требованиям ЕС.
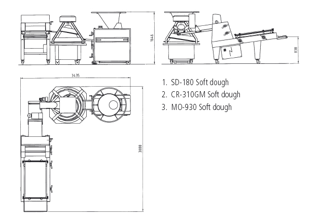
1. SD-180, Тесторазделочная пневматическая машина для мягкого теста:
- Бункер 100 л;
- Не допускающее прилипания покрытие бункера;
- Смазывание конвейера маслом;
- Частотный вариатор;
- Специальный выпускной ремень и не допускающим прилипания покрытием;
- Передающий ролик;
- Легкая и безопасная эксплуатация и обслуживание.
Дополнительно:
- Минипистон для дозирования 35-250 гр;
- Бункер на 225 л.
| SD180XS | SD180 | SD180XL | |
|
Диапазон веса: |
70-1000 гр | 120-1600 гр | 180-2300 гр |
| Производительность: | 750-1800 заготовок/час | ||
2. MO-930, Формозакаточная машина для мягкого теста:
.png)
- Подающий конвейер с просыпателем муки;
- Моторизованные направляющие ролики обеспечивают центральную подачу;
- Вариатор скорости;
- Специальная лента конвейера с не прилипающим покрытием;
- Бережное обращение с тестом.
Дополнительно:
- Просыпатель муки перед прижимной доской.
| Диапазон веса: | 30-1800 гр |
| Производительность: | До 1800 заготовок/час |
3. CR-310GM, Конический тестоокруглитель для мягкого теста:
- Центральная регулируемая направляющая трасса;
- Не прилипающее покрытие конуса и трассы;
- Длина округления до 4 метров;
- Регулятор скорости конуса;
- Автоматическое устройство смазки маслом;
- Разгрузочный конвейер с передающим роликом.
| Диапазон веса: | 30-1800 гр |
| Производительность: | До 3600 заготовок/час |
.jpg)



